小红楼论坛资料大全最新版本更新内 ,全国足疗信息论坛分享,一品楼免费信息论坛,上海徐汇品茶工作室唐人阁九品毕业区(trg)最新章节

收藏本站|网站地图您好,欢迎光临上海中人科教设备制造有限公司官方网站!???

全国咨询电话
021-66581511

严谨的技术创新追求,无微不至地服务于客户
为客户提供优质的产品
楼宇自动化实训设备
当前位置:电梯模型 > 设备选型 > 供配电实训 >
10KV工厂供配电实验室设备,通220V电供配电技术实训装置
  • 10KV工厂供配电实验室设备,通220V电供配电技术实训装置
  • 工厂供配电技术实验室设备原理图
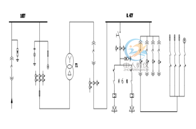
  • 10KV供配电实验室流程图

10KV工厂供配电实验室设备

【通电实操型】通220V电供配电技术实训装置,10KV工厂供配电实验室设备,适用于发电厂、变电站、电气化铁路变电站。咨询热线13122891392 ...

订购热线:021-66581511

中人教仪厂是专业生产10KV工厂供配电实验室设备,通220V电供配电技术实训装置及配件的厂家,生产的10KV工厂供配电实验室设备,通220V电供配电技术实训装置品质过硬,中人品牌在国内已经拥有几百所院??突?。


本文关键词:10KV工厂供配电实验室设备
ZRPD-01 10KV工厂供配电实验室设备
【通220V电供配电技术实训装置】,10KV工厂供配电实验室设备,

1、微机监控主站系统详细技术参数


主站台尺寸:1220*1100*1100mm

应用范围
通220V电供配电技术实训装置适用于发电厂、变电站、电气化铁路变电站。作为调度或当地监控与?;ぷ爸昧档氖嗯?,主要完成调度和?;ぷ爸弥湫畔⒌慕换弧⒈;ぷ爸酶骼嘈畔⒌南允尽?br /> 当地计算机监控系统的任务是收集变电站的信息并实时存入数据库,通过友好的人机界面和强大的数据处理能力实现站内就地监控功能,是整个系统与运行人员之间的接口。
计算机监控系统采用 Windows NT/Windows 2000 /Windows 2003 /WINDOWS XP 操作系统,网络通信协议采用国际通信标准的TCP/IP协议,并采用分布式体系结构客户/服务器模式,应用软件平台全面建立在开放的国际工业标准基础上,应用层的开放能适于不同程度的拓展要求,为系统功能扩展和系统的互连提供了方便,并可根据用户需求,选取各子系统进行灵活组态。
监控系统运行环境
在软硬件的选择上严格遵循可靠性、先进性、通用性和实用性的原则,系统的软硬件
配置完全符合国际工业标准和国家电力工业标准,使得系统能够紧密的跟踪国际最新的硬
件设备和最新的软件产品。
硬件平台:基本配置为一台商用 PC 机/工控机作为站级控制计算机。
软件平台:WINDOWS NT/WIN2000/WINDOWS XP作为操作系统,采用标准的 MS SQL SERVER 或其它支持 ODBC 的数据库,与实时库相结合,保证系统的实时性和开放性。
网络环境:站级网络采用成熟可靠的以太网络,通讯协议选用标准的 TCP/IP 协议。支持光纤通讯网络和双总线网络。

(一)基本参数
(1)供电电源:三相五线供电,50Hz;功率:500W;
(3) 尺寸:1220*1100*1100mm(长*宽*高);
(4) 重量:110kg
(5) 使用环境
工作温度:-10℃~+50℃;
贮存温度:-25℃~+70℃在极限值下不施加激励量,装置不出
现不可逆变化,温度恢复后装置应能正常工作;
大气压力:86~106kPa(相当于海拔高度2km及以下);
相对湿度:不大于95%,无凝露;
其它条件:周围空气中不应含有带酸碱腐蚀或爆炸性的物质。
(二)实验台配置
1、计算机:DELL3010
2、惠普彩色打印机:HP CP1025
3、数据库管理单元:CBZ-8000操作系统
4、;通讯管理机:NWJ-801A
5、后台监控系统软件:CBZ-8000后台控制系统软件
(三)实训项目
监控系统通过遥测、遥信、遥控、遥调进行自动化控制。系统具有实时数据采集与数据处理等功能,并具有录波分析功能:可实现录波分析及波形打印功能。
1、?;ぷ爸眯畔⒁2庵底樘笛?;
2、各个负荷侧遥测值测试实验;
3、 电力系统负荷分布实验;
4、保护装置信息遥信值组态实验;
5、合、分隔离刀闸主监控界面变化实验;
6、??胤?、合闸主监控界面变化实验;
7、SOE信息实验;
8、事故发生的时间和测量值、故障录波的波形实验;
9、对各个开出点进行传动实验;
10、遥控分、合闸实验;
11、事故和预告音响进行手动和自动复归等实验。

(四)技术指标
1)系统最大容量:遥测量不限;遥信量不限;遥控量不限。
2)模拟量测量准确度:
①交流电流、电压量:0.2%;②直流电流、电压量:0.2%;③功率、电度量:0.5%;④频率:0.01Hz。
3)事件分辨率:《 1ms。 4)遥控动作成功率:100% 。
5)有实时数据的画面整幅调出响应时间:①画面调入:《2s;②数据刷新:《1s(可设定)。
6)数据处理速度:
①从数据采集到主站显示:《1.5s;②遥调命令传输时间:《1s(可设定);③遥控命令选择、执行或撤销传输时间:《1s(可设定);④保护信息、时间记录、超限记录等,生存周期为一年。
7)系统可用率:99.99%。 8)平均无故障时间(MTBF):》4000h。
绝缘性能
绝缘电阻:装置所有电路与外壳之间绝缘电阻在标准实验条件下,不小于100MΩ。
介质强度:装置所有电路与外壳的介质强度能耐受交流50Hz,电压2KV(有效值),历时1min试验,而无绝缘击穿或闪络现象。当复查介质强度时,试验电压值为规定值的75%。
冲击电压:装置的导电部分对外露的非导电金属部分及外壳之间,在规定的试验大气条件下,能耐受幅值为5KV的标准雷电波短时冲击检验。
抗干扰能力
1)装置能承受GB/T14598.13规定的频率为1MHz及100KHz衰减振荡波(第一个半波电压幅值共模为2.5KV,差模为1KV)脉冲干扰试验;
2)装置能承受GB/T14598.14规定的严酷等级为IV级的静电放电干扰试验;
3)装置能承受GB/T14598.9规定的严酷等级为III级的辐射电磁场干扰试验;
4)装置能承受GB/T14598.10规定的严酷等级为IV级的快速瞬变干扰试验。
机械性能
1)工作条件:装置能承受严酷等级为1级的振动响应、冲击响应检验;
2)运输条件:装置能承受严酷等级为1级的振动耐久、冲击耐久及碰撞检验。
以太网端口
(1)速率:10M/100M自适应;(2)采用RJ45电气接口。
RS-232端口
(1)速率:300、600、1200、2400、4800、9600;(2)光电隔离输入输出。
RS-485端口
(1)速率:300、600、1200、2400、4800、9600;(2)最大传输距离:1.2 km;
(3)光电隔离输入输出。
CANBUS端口
(1)速率:100K;(2)最大传输距离:5.0 km;(3)误码率:<10-19;(4)光电隔离输入输出。传输介质可选用双绞线和光纤。
出口触点
在电压不超过250V,电流不超过0.5A,时间常数为5±0.75ms的直流有感回路中,装置输出触点的断开容量为50W,长期允许接通电流不超过5A。
(五)特点(工业级后台监控系统)
1)完全的 32 位操作系统,运行于Windows NT/Windows 2000 /WINDOWS XP 操作系统。由于基于 32 位内存管理,系统可定义上万个可控点及报警点。
2)开放式结构,系统采用标准的 ACCESS 数据库格式、标准 SQL 访问接口、ACTIVEX 网络控件以及最低层的应用编程接口 API,这种开放式的设计结构使得系统可以与多种通用应用软件和用户应用程序相结合。
3)简单灵活的网络设计,系统采CLIENT/SERVER 及 BROWSER/SERVER 配置,系统可以灵活扩展并具有容错能力。
4)对紧急事件的快速反应:本系统采用的高速网络通信协议和事件驱动式的信息传递方式可保证系统在短时间内处理大量数据而不会产生瓶颈现象。
(六)功能配置
1)数据采集及处理功能:按电气间隔分布配置或集中配置综合测控终端;完成开关量、模拟量、脉冲量等信息的采集及处理。
2)控制操作功能:断路器及刀闸的分合;变压器分接头调节;电压无功控制??刂撇僮饔烧炯豆ぷ髡臼迪?,也可以在各间隔层测控终端通过手动操作完成。
3)报警及事件记录功能:将遥测越限、正常遥信变位、事故变位、SOE、保护信息、??丶锹?、操作记录等信息集中统一管理,分类记录并处理。
4)历史记录功能 :负责定期地将处理后的数据保留入历史库,以供趋势分析、统计计算之用。
5)显示打印功能:支持多窗口、分层显示各种接线图、地理图、系统图、曲线、潮流图、事件列表、?;ば畔?、报表、三维棒图等??扇斯?、自动或定时打印各种报表、曲线、事件等。
6)故障录波分析功能:定值召唤及设置,对系统采集的扰动数据处理保存,并进行波形显示、故障分析、打印等。
7)电压无功控制功能:按九区图以手动或自动方式进行电压无功控制(VQC)。

装置系统结构
本系统为分层分布式结构,其在整个系统中所处的位置。

间隔层设备可分散安装于一次设备附近,完成一次侧设备对应的所有二次功能,也可以集中组屏安装于控制室内。

2、10KV微机厂用变、电容器?;な笛灯料晗讣际醪问?/span>


屏体尺寸:800*600*2200mm 工业级柜体

微机厂用变保护装置技术参数:

1 额定数据
a. 额定电源电压: 直流或交流220V或直流110V (订货及使用时区分规格)
b. 额定交流数据:
交流电压: 100/√3V, 100V
交流电流: 5A或1A (订货及使用时区分规格)
零序电流: 1A
额定频率: 50Hz
c. 热稳定性:
交流电压回路:长期运行 1.2Un
交流电流回路:长期运行 2In
1s 40In
零序电流回路:长期运行 2A
1s 40A
2 装置功耗
a. 交流电压回路: 每相不大于0.5VA;
b. 交流电流回路: In=5A时每相不大于1VA;
In=1A时每相不大于0.5VA;
c. 零序电流回路: 不大于0.5VA;
d. ?;さ缭椿芈? 正常工作时,不大于12W;?;ざ魇?,不大于15W。
3 环境条件
a. 环境温度:
工作: -25℃~+55℃。
储存: -25℃~+70℃,相对湿度不大于80%,周围空气中不含有酸性、碱性或其它腐蚀性及爆炸性气体的防雨、防雪的室内;在极限值下不施加激励量,装置不出现不可逆转的变化,温度恢复后,装置应能正常工作。
b. 相对湿度:最湿月的月平均最大相对湿度为90%,同时该月的月平均最低温度为25℃且表面不凝露。最高温度为+40℃时,平均最大湿度不超过50%。
c. 大气压力:80kPa~110kPa(相对海拔高度2km以下)。
4 抗干扰性能
a. 脉冲群干扰试验:能承受GB/T14598.13-1998规定的频率为1MHz及100kHz衰减振荡波(第一半波电压幅值共模为2.5kV,差模为1kV)脉冲群干扰试验。
b. 快速瞬变干扰试验:能承受GB/T14598.10-2007第四章规定的严酷等级为A级的快速瞬变干扰试验。
c. 辐射电磁场干扰试验:能承受GB/T14598.9-2002第四章规定的严酷等级的辐射电磁场干扰试验。
d. 静电放电试验:能承受GB/T14598.14-1998中4.1规定的严酷等级为Ⅲ级的静电放电试验。
e. 电磁发射试验:能承受GB/T14598.16-2002中4.1规定的传导发射限值及4.2规定的辐射发射限值的电磁发射试验。
f. 工频磁场抗扰度试验:能承受GB/T17626.8-2006第5章规定的严酷等级为Ⅳ级的工频磁场抗扰度试验。
g. 脉冲磁场抗扰度试验:能承受GB/T17626.9-1998第5章规定的严酷等级为Ⅳ级的脉冲磁场抗扰度试验。
h. 阻尼振荡磁场抗扰度试验:能承受GB/T17626.10-1998第5章规定的严酷等级为Ⅳ级的阻尼振荡磁场抗扰度试验。
i. 浪涌抗扰度试验:能承受IEC 60255-22-5:2002第4章规定的严酷等级的浪涌抗扰度试验。
j. 传导骚扰的抗扰度试验:能承受IEC 60255-22-6:2001第4章规定的射频场感应的传导骚扰的抗扰度试验。
k. 工频抗扰度试验:能承受IEC 60255-22-7:2003第4章规定的工频抗扰度试验。
5 绝缘性能
a. 绝缘电阻:各带电的导电电路分别对地(即外壳或外露的非带电金属零件)之间,交流回路和直流回路之间,交流电流回路和交流电压回路之间,用开路电压为500V的测试仪器测试其绝缘电阻值不应小于100MΩ。
b. 介质强度:装置通信回路和24V等弱电输入输出端子对地能承受50Hz、500V(有效值)的交流电压,历时1min的检验无击穿或闪络现象;其余各带电的导电电路分别对地(即外壳或外露的非带电金属零件)之间,交流回路和直流回路之间,交流电流回路和交流电压回路之间,能承受50Hz、2kV(有效值)的交流电压,历时1min的检验无击穿或闪络现象。
c. 冲击电压:装置通信回路和24V等弱电输入输出端子对地,能承受1kV(峰值)的标准雷电波冲击检验;其余各带电的导电端子分别对地,交流回路和直流回路之间,交流电流回路和交流电压回路之间,能承受5kV(峰值)的标准雷电波冲击检验。
6 机械性能
a. 振动响应:装置能承受GB/T 11287-2000中4.2.1规定的严酷等级为I级振动响应检验。
b. 冲击响应:装置能承受GB/T 14537-1993中4.2.1规定的严酷等级为I级冲击响应检验。
c. 振动耐久:装置能承受GB/T 11287-2000中4.2.2规定的严酷等级为I级振动耐久检验。
d. 冲击耐久:装置能承受GB/T 14537-1993中4.2.2规定的严酷等级为I级冲击耐久检验。
e. 碰撞:装置能承受GB/T 14537-1993中4.3规定的严酷等级为I级碰撞检验。
7 ?;ざㄖ嫡ǚ段Ъ拔蟛?br /> a. 定值整定范围
电 流: 0.1In~15In;
零序电流: 0.02A~12A;
交流电压: 10V~100V;
延 时: 0s~100s。
b. 定值误差
电 流: < ±5%;
电 压: < ±5%;
零序电流: 0.02A~12A范围不超过±0.01A或±5%;
延时误差:0s~100s范围内不超过50ms或±2%。
8 测量精度
a. 各模拟量的测量误差不超过额定值的±0.5%;
b. 功率测量误差不超过额定值的±1%;
c. 开关量输入电压(DC24V),分辨率不大于2ms;
d. 脉冲量输入电压(DC24V),脉冲宽度不小于20ms。
9 触点容量
a. 在电压不大于250V,电流不大于1A,时间常数为5ms±0.75ms的直流有感负荷电路中,触点断开容量为50W,长期允许通过电流不大于5A。
b. 在电压不大于250V,电流不大于2A的交流回路(cosφ=0.4±0.1)中触点断开容量为250VA,长期允许通过电流不大于5A。

微机电容器保护技术参数

微机电容器?;ぷ爸眉际醪问?br /> 1 额定数据
a. 额定电源电压: 直流或交流220V或直流110V (订货及使用时区分规格)
b. 额定交流数据:
交流电压: 100/√3V, 100V
交流电流: 5A或1A (订货及使用时区分规格)
零序电流: 1A
额定频率: 50Hz
c. 热稳定性:
交流电压回路:长期运行 1.2Un
交流电流回路:长期运行 2In
1s 40In
零序电流回路:长期运行 2A
1s 40A
2 装置功耗
a. 交流电压回路: 每相不大于0.5VA;
b. 交流电流回路: In=5A时每相不大于1VA;
In=1A时每相不大于0.5VA;
c. 零序电流回路: 不大于0.5VA;
d. 保护电源回路: 正常工作时,不大于12W;?;ざ魇?,不大于15W。
3 环境条件
a. 环境温度:
工作: -25℃~+55℃。
储存: -25℃~+70℃,相对湿度不大于80%,周围空气中不含有酸性、碱性或其它腐蚀性及爆炸性气体的防雨、防雪的室内;在极限值下不施加激励量,装置不出现不可逆转的变化,温度恢复后,装置应能正常工作。
b. 相对湿度:最湿月的月平均最大相对湿度为90%,同时该月的月平均最低温度为25℃且表面不凝露。最高温度为+40℃时,平均最大湿度不超过50%。
c. 大气压力:80kPa~110kPa(相对海拔高度2km以下)。
4 抗干扰性能
a. 脉冲群干扰试验:能承受GB/T14598.13-1998规定的频率为1MHz及100kHz衰减振荡波(第一半波电压幅值共模为2.5kV,差模为1kV)脉冲群干扰试验。
b. 快速瞬变干扰试验:能承受GB/T14598.10-2007第四章规定的严酷等级为A级的快速瞬变干扰试验。
c. 辐射电磁场干扰试验:能承受GB/T14598.9-2002第四章规定的严酷等级的辐射电磁场干扰试验。
d. 静电放电试验:能承受GB/T14598.14-1998中4.1规定的严酷等级为Ⅲ级的静电放电试验。
e.电磁发射试验:能承受GB/T14598.16-2002中4.1规定的传导发射限值及4.2规定的辐射发射限值的电磁发射试验。
f. 工频磁场抗扰度试验:能承受GB/T17626.8-2006第5章规定的严酷等级为Ⅳ级的工频磁场抗扰度试验。
g. 脉冲磁场抗扰度试验:能承受GB/T17626.9-1998第5章规定的严酷等级为Ⅳ级的脉冲磁场抗扰度试验。
h. 阻尼振荡磁场抗扰度试验:能承受GB/T17626.10-1998第5章规定的严酷等级为Ⅳ级的阻尼振荡磁场抗扰度试验。
i. 浪涌抗扰度试验:能承受IEC 60255-22-5:2002第4章规定的严酷等级的浪涌抗扰度试验。
j. 传导骚扰的抗扰度试验:能承受IEC 60255-22-6:2001第4章规定的射频场感应的传导骚扰的抗扰度试验。
k. 工频抗扰度试验:能承受IEC 60255-22-7:2003第4章规定的工频抗扰度试验。
5 绝缘性能
a. 绝缘电阻:各带电的导电电路分别对地(即外壳或外露的非带电金属零件)之间,交流回路和直流回路之间,交流电流回路和交流电压回路之间,用开路电压为500V的测试仪器测试其绝缘电阻值不应小于100MΩ。
b.介质强度:装置通信回路和24V等弱电输入输出端子对地能承受50Hz、500V(有效值)的交流电压,历时1min的检验无击穿或闪络现象;其余各带电的导电电路分别对地(即外壳或外露的非带电金属零件)之间,交流回路和直流回路之间,交流电流回路和交流电压回路之间,能承受50Hz、2kV(有效值)的交流电压,历时1min的检验无击穿或闪络现象。
c. 冲击电压:装置通信回路和24V等弱电输入输出端子对地,能承受1kV(峰值)的标准雷电波冲击检验;其余各带电的导电端子分别对地,交流回路和直流回路之间,交流电流回路和交流电压回路之间,能承受5kV(峰值)的标准雷电波冲击检验。
6 机械性能
a. 振动响应:装置能承受GB/T 11287-2000中4.2.1规定的严酷等级为I级振动响应检验。
b. 冲击响应:装置能承受GB/T 14537-1993中4.2.1规定的严酷等级为I级冲击响应检验。
c. 振动耐久:装置能承受GB/T 11287-2000中4.2.2规定的严酷等级为I级振动耐久检验。
d. 冲击耐久:装置能承受GB/T 14537-1993中4.2.2规定的严酷等级为I级冲击耐久检验。
e. 碰撞:装置能承受GB/T 14537-1993中4.3规定的严酷等级为I级碰撞检验。
7 ?;ざㄖ嫡ǚ段Ъ拔蟛?br /> a. 定值整定范围
电 流: 0.1In~15In;
零序电流: 0.02A~12A;
交流电压: 10V~100V;
延 时: 0s~100s。
b. 定值误差
电 流: < ±5%;
电 压: < ±5%;
零序电流: 0.02A~12A范围不超过±0.01A或±5%;
延时误差:0s~100s范围内不超过50ms或±2%。
8 测量精度
a. 各模拟量的测量误差不超过额定值的±0.5%;
b. 功率测量误差不超过额定值的±1%;
c. 开关量输入电压(DC24V),分辨率不大于2ms;
d. 脉冲量输入电压(DC24V),脉冲宽度不小于20ms。
9 触点容量
a. 在电压不大于250V,电流不大于1A,时间常数为5ms±0.75ms的直流有感负荷电路中,触点断开容量为50W,长期允许通过电流不大于5A。
b. 在电压不大于250V,电流不大于2A的交流回路(cosφ=0.4±0.1)中触点断开容量为250VA,长期允许通过电流不大于5A。


10KV微机厂用变、电容器保护实训项目

微机厂用变?;な笛迪钅?br /> 1.启动过长保护实验
2.两段式过电流?;な笛?br /> 3.过负荷保护实验
4.反时限过流?;な笛?br /> 5.过热?;な笛?br /> 6.两段式负序电流保护实验
7.零序电流?;な笛?br /> 8.过电压?;な笛?br /> 9.低电压?;な笛?br /> 10.差动速断?;な笛?br /> 11.比率差动保护实验
12.TA断线检测告警实验
13.差流越限告警实验
14.非电量?;な笛?br /> 15.TV断线检测告警实验
16.控制回路异常告警实验
17.跳位异常告警实验
18.手车位置异常告警实验
19.弹簧未储能告警实验


微机电容器实训项目:
1.三段式过电流?;な笛?br /> 2.零序电流?;な笛?br /> 3.过电压保护实验
4.低电压?;な笛?br /> 5.不平衡电流?;な笛?br /> 6.不平衡电压?;な笛?br /> 7.非电量?;な笛?br /> 8.TV断线检测告警实验
9.控制回路异常告警实验
10.跳位异常告警实验
11.手车位置异常告警实验
12.弹簧未储能告警实验


3、10KV微机线路、电动机?;な笛灯料晗讣际醪问?/span>


屏体尺寸:800*600*2200mm 工业级柜体


微机线路保护技术参数( 工业级)

微机线路?;ぷ爸眉际醪问?br />
1 额定数据
a. 额定电源电压: 直流或交流220V或直流110V (订货及使用时区分规格)
b. 额定交流数据:
交流电压: 100/√3V, 100V
交流电流: 5A或1A (订货及使用时区分规格)
零序电流: 1A
额定频率: 50Hz
c. 热稳定性:
交流电压回路:长期运行 1.2Un
交流电流回路:长期运行 2In
1s 40In
零序电流回路:长期运行 2A
1s 40A
2 装置功耗
a. 交流电压回路: 每相不大于0.5VA;
b. 交流电流回路: In=5A时每相不大于1VA;
In=1A时每相不大于0.5VA;
c. 零序电流回路: 不大于0.5VA;
d. 保护电源回路: 正常工作时,不大于12W;保护动作时,不大于15W。
环境条件
a. 环境温度:
工作: -25℃~+55℃。
储存: -25℃~+70℃,相对湿度不大于80%,周围空气中不含有酸性、碱性或其它腐蚀性及爆炸性气体的防雨、防雪的室内;在极限值下不施加激励量,装置不出现不可逆转的变化,温度恢复后,装置应能正常工作。
b. 相对湿度:最湿月的月平均最大相对湿度为90%,同时该月的月平均最低温度为25℃且表面不凝露。最高温度为+40℃时,平均最大湿度不超过50%。
c. 大气压力:80kPa~110kPa(相对海拔高度2km以下)。
抗干扰性能
a. 脉冲群干扰试验:能承受GB/T14598.13-1998规定的频率为1MHz及100kHz衰减振荡波(第一半波电压幅值共模为2.5kV,差模为1kV)脉冲群干扰试验。
b. 快速瞬变干扰试验:能承受GB/T14598.10-2007第四章规定的严酷等级为A级的快速瞬变干扰试验。
c. 辐射电磁场干扰试验:能承受GB/T14598.9-2002第四章规定的严酷等级的辐射电磁场干扰试验。
d. 静电放电试验:能承受GB/T14598.14-1998中4.1规定的严酷等级为Ⅲ级的静电放电试验。
e. 电磁发射试验:能承受GB/T14598.16-2002中4.1规定的传导发射限值及4.2规定的辐射发射限值的电磁发射试验。
f. 工频磁场抗扰度试验:能承受GB/T17626.8-2006第5章规定的严酷等级为Ⅳ级的工频磁场抗扰度试验。
g. 脉冲磁场抗扰度试验:能承受GB/T17626.9-1998第5章规定的严酷等级为Ⅳ级的脉冲磁场抗扰度试验。
h. 阻尼振荡磁场抗扰度试验:能承受GB/T17626.10-1998第5章规定的严酷等级为Ⅳ级的阻尼振荡磁场抗扰度试验。
i. 浪涌抗扰度试验:能承受IEC 60255-22-5:2002第4章规定的严酷等级的浪涌抗扰度试验。
j. 传导骚扰的抗扰度试验:能承受IEC 60255-22-6:2001第4章规定的射频场感应的传导骚扰的抗扰度试验。
k. 工频抗扰度试验:能承受IEC 60255-22-7:2003第4章规定的工频抗扰度试验。
5绝缘性能
a. 绝缘电阻:各带电的导电电路分别对地(即外壳或外露的非带电金属零件)之间,交流回路和直流回路之间,交流电流回路和交流电压回路之间,用开路电压为500V的测试仪器测试其绝缘电阻值不应小于100MΩ。
b. 介质强度:装置通信回路和24V等弱电输入输出端子对地能承受50Hz、500V(有效值)的交流电压,历时1min的检验无击穿或闪络现象;其余各带电的导电电路分别对地(即外壳或外露的非带电金属零件)之间,交流回路和直流回路之间,交流电流回路和交流电压回路之间,能承受50Hz、2kV(有效值)的交流电压,历时1min的检验无击穿或闪络现象。
c. 冲击电压:装置通信回路和24V等弱电输入输出端子对地,能承受1kV(峰值)的标准雷电波冲击检验;其余各带电的导电端子分别对地,交流回路和直流回路之间,交流电流回路和交流电压回路之间,能承受5kV(峰值)的标准雷电波冲击检验。
6 机械性能
a. 振动响应:装置能承受GB/T 11287-2000中4.2.1规定的严酷等级为I级振动响应检验。
b. 冲击响应:装置能承受GB/T 14537-1993中4.2.1规定的严酷等级为I级冲击响应检验。
c. 振动耐久:装置能承受GB/T 11287-2000中4.2.2规定的严酷等级为I级振动耐久检验。
d. 冲击耐久:装置能承受GB/T 14537-1993中4.2.2规定的严酷等级为I级冲击耐久检验。
e. 碰撞:装置能承受GB/T 14537-1993中4.3规定的严酷等级为I级碰撞检验。
7 ?;ざㄖ嫡ǚ段Ъ拔蟛?br /> a. 定值整定范围
电 流: 0.1In~15In;
零序电流: 0.02A~12A;
交流电压: 10V~100V;
延 时: 0s~100s。
b. 定值误差
电 流: < ±5%;
电 压: < ±5%;
零序电流: 0.02A~12A范围不超过±0.01A或±5%;
延时误差:0s~100s范围内不超过50ms或±2%。
测量精度
a. 各模拟量的测量误差不超过额定值的±0.5%;
b. 功率测量误差不超过额定值的±1%;
c. 开关量输入电压(DC24V),分辨率不大于2ms;
d. 脉冲量输入电压(DC24V),脉冲宽度不小于20ms。
触点容量
a. 在电压不大于250V,电流不大于1A,时间常数为5ms±0.75ms的直流有感负荷电路中,触点断开容量为50W,长期允许通过电流不大于5A。
b. 在电压不大于250V,电流不大于2A的交流回路(cosφ=0.4±0.1)中触点断开容量为250VA,长期允许通过电流不大于5A。

微机电动机保护技术参数( 工业级)

微机电动机保护装置技术参数:

1 额定数据
a. 额定电源电压: 直流或交流220V或直流110V (订货及使用时区分规格)
b. 额定交流数据:
交流电压: 100/√3V, 100V
交流电流: 5A或1A (订货及使用时区分规格)
零序电流: 1A
额定频率: 50Hz
c. 热稳定性:
交流电压回路:长期运行 1.2Un
交流电流回路:长期运行 2In
1s 40In
零序电流回路:长期运行 2A
1s 40A
2 装置功耗
a. 交流电压回路: 每相不大于0.5VA;
b. 交流电流回路: In=5A时每相不大于1VA;
In=1A时每相不大于0.5VA;
c. 零序电流回路: 不大于0.5VA;
d. ?;さ缭椿芈? 正常工作时,不大于12W;?;ざ魇?,不大于15W。
3 环境条件
a. 环境温度:
工作: -25℃~+55℃。
储存: -25℃~+70℃,相对湿度不大于80%,周围空气中不含有酸性、碱性或其它腐蚀性及爆炸性气体的防雨、防雪的室内;在极限值下不施加激励量,装置不出现不可逆转的变化,温度恢复后,装置应能正常工作。
b. 相对湿度:最湿月的月平均最大相对湿度为90%,同时该月的月平均最低温度为25℃且表面不凝露。最高温度为+40℃时,平均最大湿度不超过50%。
c. 大气压力:80kPa~110kPa(相对海拔高度2km以下)。
4 抗干扰性能
a. 脉冲群干扰试验:能承受GB/T14598.13-1998规定的频率为1MHz及100kHz衰减振荡波(第一半波电压幅值共模为2.5kV,差模为1kV)脉冲群干扰试验。
b. 快速瞬变干扰试验:能承受GB/T14598.10-2007第四章规定的严酷等级为A级的快速瞬变干扰试验。
c. 辐射电磁场干扰试验:能承受GB/T14598.9-2002第四章规定的严酷等级的辐射电磁场干扰试验。
d. 静电放电试验:能承受GB/T14598.14-1998中4.1规定的严酷等级为Ⅲ级的静电放电试验。
e. 电磁发射试验:能承受GB/T14598.16-2002中4.1规定的传导发射限值及4.2规定的辐射发射限值的电磁发射试验。
f. 工频磁场抗扰度试验:能承受GB/T17626.8-2006第5章规定的严酷等级为Ⅳ级的工频磁场抗扰度试验。
g. 脉冲磁场抗扰度试验:能承受GB/T17626.9-1998第5章规定的严酷等级为Ⅳ级的脉冲磁场抗扰度试验。
h. 阻尼振荡磁场抗扰度试验:能承受GB/T17626.10-1998第5章规定的严酷等级为Ⅳ级的阻尼振荡磁场抗扰度试验。
i. 浪涌抗扰度试验:能承受IEC 60255-22-5:2002第4章规定的严酷等级的浪涌抗扰度试验。
j. 传导骚扰的抗扰度试验:能承受IEC 60255-22-6:2001第4章规定的射频场感应的传导骚扰的抗扰度试验。
k. 工频抗扰度试验:能承受IEC 60255-22-7:2003第4章规定的工频抗扰度试验。
5 绝缘性能
a. 绝缘电阻:各带电的导电电路分别对地(即外壳或外露的非带电金属零件)之间,交流回路和直流回路之间,交流电流回路和交流电压回路之间,用开路电压为500V的测试仪器测试其绝缘电阻值不应小于100MΩ。
b. 介质强度:装置通信回路和24V等弱电输入输出端子对地能承受50Hz、500V(有效值)的交流电压,历时1min的检验无击穿或闪络现象;其余各带电的导电电路分别对地(即外壳或外露的非带电金属零件)之间,交流回路和直流回路之间,交流电流回路和交流电压回路之间,能承受50Hz、2kV(有效值)的交流电压,历时1min的检验无击穿或闪络现象。
c. 冲击电压:装置通信回路和24V等弱电输入输出端子对地,能承受1kV(峰值)的标准雷电波冲击检验;其余各带电的导电端子分别对地,交流回路和直流回路之间,交流电流回路和交流电压回路之间,能承受5kV(峰值)的标准雷电波冲击检验。
6 机械性能
a. 振动响应:装置能承受GB/T 11287-2000中4.2.1规定的严酷等级为I级振动响应检验。
b. 冲击响应:装置能承受GB/T 14537-1993中4.2.1规定的严酷等级为I级冲击响应检验。
c. 振动耐久:装置能承受GB/T 11287-2000中4.2.2规定的严酷等级为I级振动耐久检验。
d. 冲击耐久:装置能承受GB/T 14537-1993中4.2.2规定的严酷等级为I级冲击耐久检验。
e. 碰撞:装置能承受GB/T 14537-1993中4.3规定的严酷等级为I级碰撞检验。
7 ?;ざㄖ嫡ǚ段Ъ拔蟛?br /> a. 定值整定范围
电 流: 0.1In~15In;
零序电流: 0.02A~12A;
交流电压: 10V~100V;
延 时: 0s~100s。
b. 定值误差
电 流: < ±5%;
电 压: < ±5%;
零序电流: 0.02A~12A范围不超过±0.01A或±5%;
延时误差:0s~100s范围内不超过50ms或±2%。
8 测量精度
a. 各模拟量的测量误差不超过额定值的±0.5%;
b. 功率测量误差不超过额定值的±1%;
c. 开关量输入电压(DC24V),分辨率不大于2ms;
d. 脉冲量输入电压(DC24V),脉冲宽度不小于20ms。
9 触点容量
a. 在电压不大于250V,电流不大于1A,时间常数为5ms±0.75ms的直流有感负荷电路中,触点断开容量为50W,长期允许通过电流不大于5A。
b. 在电压不大于250V,电流不大于2A的交流回路(cosφ=0.4±0.1)中触点断开容量为250VA,长期允许通过电流不大于5A。


10KV微机线路、电动机?;な笛迪钅?br />
微机线路实训项目:
1.三段式带低压闭锁的电流方向保护实验
2.过流加速?;な笛椋ㄇ凹铀?后加速)
3.过负荷?;な笛椋ㄌ?告警可?。?br /> 4.零序电流?;な笛椋ㄌ?告警可?。?br /> 5.低电压?;な笛?br /> 6.低频减载保护实验
7.三相一次重合闸实验
8.母线TV断线检测告警实验
9.线路TV断线检测告警实验
10.控制回路异常告警实验
11.跳位异常告警实验
12.手车位置异常告警实验
13.弹簧未储能告警实验

微机电动机?;な笛迪钅浚?br /> 1.启动过长?;な笛?br /> 2.两段式过电流?;な笛?br /> 3.过负荷?;な笛?br /> 4.反时限过流?;な笛?br /> 5.过热保护实验
6.两段式负序电流?;な笛?br /> 7.零序电流?;な笛?br /> 8.过电压?;な笛?br /> 9.低电压?;な笛?br /> 10.差动速断保护实验
11.比率差动?;な笛?br /> 12.TA断线检测告警实验
13.差流越限告警实验
14.非电量?;な笛?br /> 15.TV断线检测告警实验
16.控制回路异常告警实验
17.跳位异常告警实验
18.手车位置异常告警实验
19.弹簧未储能告警实验



5、10KV真空断路器柜详细技术参数 (手车式)


柜体尺寸:2200*800*1500mm 工业级柜体


(一)、使用环境
1、环境温度:-15℃~+40℃,日平均值不大于+35℃。
2、环境湿度
日平均相对湿度:≤95%;月平均相对湿度:≤90%;
3、海拔高度:不超过1000m。地震烈度:不超过8度。
4、安装在没有火灾、爆炸危险,严重污秽化学腐蚀及剧烈震动的场所。
(二)、基本技术参数
1、供电电源:三相五线供电;功率:3kw。
2、额定电压:12KV;额定频率:50Hz;
3、额定雷电冲击耐受电压:75KV(峰值);
4、额定一分钟工频耐受电压:42KV(有效值);
5、额定操作顺序:O-0.3-CO-180s-CO (40KA为O-180s-CO-180s-CO);
6、主母线额定电流:630A;
7、额定短路开断电流:25KA;额定短路关合电流:630KA(峰值);
8、额定短路持续时间:4s;开断次数:50次;
9、机械寿命:20000次。
10、柜体尺寸:2200×800×1500(高×宽×深)。
(三)、断路器机械特性参数
1、触头开距:11±1mm; 2、触头超行距:3.5±0.5mm;
3、三级份、合闸不同期性:≤2ms;
4、触头合闸弹跳时间:≤2ms;
5、平均分闸速度:0.9-1.3m/s(初分6mm时平均速度);
6、平均合闸速度:0.4~0.8 m/s; 7、合闸时间:≤100ms;
8、分闸时间:≤50ms;9、燃弧时间:≤15ms;
(四)、脱扣器与闭锁电磁铁的技术参数
1、分闸脱扣器额定电压:-220V、110V;功率:245W。
2、合闸脱扣器额定电压:-220V、110V;功率:245W。
3、闭锁电磁铁额定电压:-220V、110V;功率:10W
4、过电流脱扣器功率:5AW。
(五)、储能电机技术参数
额定电压-220V、-110V;功率:50W;储能时间:≤10m;
(六)、实训项目
手动和??睾戏侄下菲魇笛?br /> 二次控制回路原理实训
操作机构原理实训
断路器拆装实训
倒闸操作实训
二次控制回路接线实训。


6、10KV CT/ PT计量柜详细技术参数


柜体尺寸:2200*800*1000mm 工业级柜体

(一)、使用环境
1、海拔高度不超过3000M;
2、周围环境温度不高于+40℃,不低于-5℃;
3、周围空气的相对温度不大于85%(20℃);
4、安装在无腐蚀性气体的场所。
(二)、技术参数
1、供电电源:三相五线供电;功率:3kw;
2、产品标准 :GB1207-2006;
3、产品表面爬电距离:满足耳机污秽等级;
4、负荷功率因数:COSφ=0.8(滞后);
5、额定电压比: ;
6、级次组合为0.2/6P,准确等级及输出容量为75VA;
级次组合为0.5/6P,准确等级及输出容量为150VA;
7、剩余电压绕组:100;
8、热极限输出容量:960VA。

(三)、实训项目
电流互感器特性测试实训(直流法、交流法)
电压互感器特性测试实训
电流互感器接线实训
电压互感器接线实训、
电压互感器精度测量实训
电流互感器精度测量实训。

7、低压配电开关柜详细技术参数


柜体尺寸:2200*800*800mm 工业级柜体

(一)、使用环境
1、应用场合:配电、电动机控制。
2、执行标准:IEC60439\GB7251.1;
3、环境温度:-5℃~+40℃;
4、环境相对温度+40℃时不超过50%,在较低温度时,允许有较高的相对温度;
5、安装地点:室内;
6、海拔高度:≤2000m。

(二)、机械数据
1、进出线形式:电缆/母线槽。
2、电缆进出:顶部/底部;
3、接线形式:柜前/柜后;
4、防护等级:IP330、IP40、IP54;
5、功能单元隔离形式:全隔离或部分隔离;
(三)、水平母线
1、额定短时耐受电流:50/80kA;
2、额定峰值耐受电流:105/176kA。
(四)、垂直母线
1、额定短时耐受电流:50kA;
2、额定峰值耐受电流:105kA。
(五)、接地系统:TT、IT、TN-S、TN-C-S。
(六)、最大进出线断路:400A。
(七)、电气数据
1、供电电源:三相五线供电;功率:3kw。
2、额定绝缘电压:至1000V;
3、额定工作电压:至660V;
4、额定功率:50\60Hz;
5、额定冲击耐受电压:8KV;
6、主电路额定电压:AC380V、220V/DC220V
7、过电压等级:III;
8、污染等级:3;9、额定电流:4000A;
10、水平母线额定电流: 4000A;
11、垂直母线额定电流:2000、1000A
(八)实训项目
主电气原理图实训
低压断路器工作原理实训
运行操作实训
检修与保养实训
故障分析与排除实训


8、低压电容补偿柜


柜体尺寸:2200*800*800mm 工业级柜体

(一)、使用环境
1、环境温度:-25℃~+55℃;
2、空气相对湿度:温度为25℃ 时,相对湿度短时可达100%;
3、海拔高度:≤2000m;
4、不适于安装在剧烈震动、冲击、腐蚀、合谐波过大的场所。
(二)、技术参数
1、供电电源:三相五线供电;功率:3kw;
2、额定电压:380V;额定频率:50Hz;
3、工作电压允许偏移:-20%~+20%;
4、额定输入电压模拟量:220V/380V、50Hz;
5、额定输入电流模拟量:5A、50Hz;
6、控制物理量:无功功率。

(三)、实训项目
自动无功功率补偿实验
手动无功功率补偿实验
无功补偿装置参数整定实验
电压无功控制实验
分接头调节和电容器投切对电压和无功影响实验。


9、抽屉式低压配电柜详细技术参数


柜体尺寸:2200*800*800mm 工业级柜体

(一)、使用环境
1、应用场合:配电、电动机控制。
2、执行标准:IEC60439\GB7251.1;
3、环境温度:-5℃~+40℃;
4、环境相对温度+40℃时不超过50%,在较低温度时,允许有较高的相对温度;
5、安装地点:室内;
6、海拔高度:≤2000m。

(二)、机械数据
1、进出线形式:电缆/母线槽。
2、电缆进出:顶部/底部;
3、接线形式:柜前/柜后;
4、防护等级:IP330、IP40、IP54;
5、功能单元隔离形式:全隔离或部分隔离;
(三)、水平母线
1、额定短时耐受电流:50/80kA;
2、额定峰值耐受电流:105/176kA。
(四)、垂直母线
1、额定短时耐受电流:50kA;
2、额定峰值耐受电流:105kA。
(五)、接地系统:TT、IT、TN-S、TN-C-S。
(六)、最大进出线断路:400A。
(七)、电气数据
1、供电电源:三相五线供电;功率:3kw。
2、额定绝缘电压:至1000V;
3、额定工作电压:至660V;
4、额定功率:50\60Hz;
5、额定冲击耐受电压:8KV;
6、主电路额定电压:AC380V、220V/DC220V
7、过电压等级:III;
8、污染等级:3;9、额定电流:4000A;
10、水平母线额定电流: 4000A;
11、垂直母线额定电流:2000、1000A
(八)实训项目
主电气原理图实训
进口低压断路器工作原理实训
运行操作实训
检修与保养实训
故障分析与排除实训
一次二次接线实训。

10、低压负载柜详细技术参数


柜体尺寸:2200*800*800mm 工业级柜体

(一)、使用环境
1、环境温度:-25℃~+55℃;
2、空气相对湿度:温度为25℃ 时,相对湿度短时可达100%;
3、海拔高度:≤2000m;
4、不适于安装在剧烈震动、冲击、腐蚀、合谐波过大的场所。
(二)、技术参数

1.供电电源:三相五线供电;功率:10kw。
2.额定绝缘电压:至1000V;
3.额定工作电压:至660V;
4.额定功率:50/60Hz;
5.额定冲击耐受电压:1KV;
6.主电路额定电压:AC380V/220V
7.过电压等级:III;
8.污染等级:3;
9.额定电流:400A;
10.水平母线额定电流: 400A;

(三)实验项目:
模拟阻性、容性、感性负载
有功/无功设备的投退
配合无功补偿柜进行无功补偿实验
就地无功补偿实训
功率因数表接线实验

11、模拟故障发生器、模拟高压断路器柜详细技术参数

柜体尺寸:600*700*1200mm

(一)、使用环境
1、环境温度:-25℃~+55℃;
2、空气相对湿度:温度为25℃ 时,相对湿度短时可达100%;
3、海拔高度:≤2000m;
4、不适于安装在剧烈震动、冲击、腐蚀、合谐波过大的场所。
(二)、技术参数
1、供电电源:三相五线供电;功率:3kw;
2、额定电压:380V;额定频率:50Hz;
3、工作电压允许偏移:-20%~+20%;
4、额定输入电压模拟量:380V、50Hz;
5、额定输入电流模拟量:5A、50Hz;
6、控制物理量:无功功率。
(三)实验项目:
1、输出模拟的各种电流、电压故障信号
2、模拟高压断路器的合、分闸动作信号


(四)设备配置:

1、微型断路器DZ47-63/C10A/3P:1个
2、交流接触器CJX1-16A/AC220V:1个
3、中间继电器JZC1-44/AC220V: 1个
4、单相调压器TDGC2-200:10个
5、单相调压器TDGC2-500:1个
6、单相整流桥60A:1个
7、单相滤波电容1500uf: 1个
8、升流器:6个
9、数显电压表、电流表:9个



12、微机继电保护测试仪详细技术参数

(一)技术指标
1、四相交流电压输出 0-120VA/A相
2、三相交流电流输出 0-40A 450VA/A相
3、直流电压输出 0-250V 100VA
4、直流电流输出 0-20A 100VA/相
5、辅助电流电压输出 220V 100VA
6、时间测量 0.0001-9999.999S
7、谐波叠加 直流至20次谐波
8、输出频率范围 0-1000HZ
9、输出精度 《0.1%
10、对开入量 空接点或DC0-250V
11、四对开入量 DC250V,2A
12、工作电源 AC175-250V 45-65HZ
13、外形尺寸 220mm(w)*170mm(h)*300mm(d)
14、装置重量 11.8KG
(二)功能特点
1、内置高配置工控机,进口真彩液晶屏,测试无需外接任何辅助设备
2、自带优化键盘及滚球鼠标,真正实现单机一体化
3、配有USB接口,轻松外挂优盘,打印机等多种设备
4、配有100M高速网口,随时可介入INTERNET远程升级,接入局域网资源共享
5、具有可靠的过热,过流,过压及短路自我?;すδ?br /> 6、采用当前最新的电力电子技术,抗干扰能力强,输出精度高
7、开入点无极性,空接点和5-250V带电位节点自动识别
8、WindowsXP操作平台OFFICE办公软件,40G硬盘,俨然是一台高性能电脑
9、软件界面有好,功能齐全,轻松完成各电压等级继电保护校验工作
10、配有精度调整菜单,用户可自行调整误差值
11、具备录波分析功能,并可将波形存储,跟给直观的分析故障特性
12、试验参数自由存储,调用,避免了多次重复输入参数,节省了校验时间
13、实验报告为WORD格式文档,可在仪器内部进行编辑,整理,打印
14、可根据用户要求定制测试模块,软件终身免费升级
(三)测试菜单
1、程控电源菜单:可在线调整各电压电流的幅值、相位及频率;可同步显示矢量图、正序、负序、零序及线电压的大?。豢赏瓿啥嘀直;さ男Q?,得出动作时间及返回时间。
2、电流?;な匝椴说ィ嚎赏瓿啥哉颉⒏盒?、零序及普通交直流电流继电器及微机过流保护装置动作值、返回值、返回系数、动作时间、返回时间的测试,并可设置辅助交直流电压,进行方向判别。
3、电压?;な匝椴说ィ嚎赏瓿啥哉?、负序及普通交直流过压、欠压继电器的动作值、返回值、返回系数、动作时间、返回时间的测试。
4、时间继电器菜单:可完成对交直流时间继电器的动作电压、返回电压和动作时间的测试。
5、中间继电器菜单:可一次性完成对交直流中间继电器,中间继电器动作值、返回值、返回系数、动作时间、返回时间及保持值的测试。启动方式及保持类型可设置。
6、反时限特性菜单:可完成对电流反时限I-T、电压反时限U-T、频率反时限f-T、过激磁U*/f*-T特性的测试,并绘制出特性曲线
7、功率方向?;な匝椴说ィ嚎赏瓿上嗉涔β史较颉⒏盒蚣傲阈蚬β史较蛭⒒;?、继电器的校验。测试项目包括动作区及最大灵敏角的测试、最小动作电压的测试、最小动作电流的测试。
8、阻抗?;な匝椴说ィ嚎赏瓿筛髯杩固匦缘谋呓缍髦?,动作时间测试并打绘制出阻抗特性曲线。
9、精工电流试验菜单:可一次性完成阻抗继电器的Z/I特性曲线测试
10、差动?;な匝椴说ィ嚎赏瓿啥圆疃;け嚷手贫匦郧?、谐波制动系数及直流助磁特性的测试。测试项目又分为边界搜索和定点测试,搜索方法分为按定值相对值搜索、按定值绝对值搜索、按步进值搜索。
11、计量仪表校验菜单:可完成对电压、电流、功率、功率因数等测量表计的校验,通过PT、CT变比的设置,同步显示一次、二次各参数值。
12、低频保护试验菜单:可完成对低周减载或低周低压解列装置低频动作值、动作时间、电压变化率闭锁值、频率变化率闭锁、低电压闭锁值及低电流闭锁值的测试
13、同期装置测试菜单:可完成同期装置的合闸压差、合闸频差、合闸导前角度及恒定导前时间的测试,还可完成自动准同期装置的自动调整试验。
14、叠加谐波试验菜单:可同时对各相叠加直流、2-14谐波,并且各次谐波可同时在线按给定步长值调整。
15、零序?;な匝椴说ィ嚎梢淮涡宰远瓿啥粤阈蚋鞫蔚亩ㄖ导爸睾险⑹奔涞男Q?,也可分段进行测试。可对重合闸进行检同期测试。
16、距离?;な匝椴说ィ嚎赏瓿山拥毓收虾拖嗉涔收媳;じ鞫味ㄖ档男Q榧罢槭奔浣滋萏匦缘牟馐浴?啥灾睾险⒔屑焱诓馐?。
17、工频变化量距离保护试验菜单:可对以工频变化量阻抗继电器为核心的距离?;そ行Q?,可对重合闸进行检同期测试。
18、功率振荡试验菜单:可对失步保护、振荡解列装置进行试验,并可模拟振荡中故障试验,完成对?;ぷ爸迷谡竦粗蟹⑸收鲜钡男Q椤;箍刹馐苑⑸竦词倍跃嗬氡;さ挠跋?br /> 19、故障再现菜单:可将故障录波器记录的故障录波数据进行再现,并可对录波的数据进行有选择的复制或删除。

13、模拟高压变压器详细技术参数


尺寸:700*1200*1100mm

(一)、使用环境
1、环境温度:-25℃~+55℃;
2、空气相对湿度:温度为25℃ 时,相对湿度短时可达100%;
3、海拔高度:≤2000m;
4、不适于安装在剧烈震动、冲击、腐蚀、合谐波过大的场所。
(二)、技术参数
1、供电电源:三相四线供电;功率:5kw;
2、额定电压:380V;额定频率:50Hz;
3、工作电压允许偏移:-20%~+20%;
4、额定输入电压模拟量:380V、50Hz;
5、额定输入电流模拟量:10A、50Hz;
6、总重:150KG 接线方式:Δ∕Y

14、配置清单

序号 名称 数量 产地
1 微机监控主站系统 1 上海
2 监控系统电脑 1 上海
3 惠普彩色打印机 1 上海
4 10KV微机厂用变、电容器?;な笛灯?/span> 1 上海
5 10KV微机线路、电动机?;な笛灯?/span> 1 上海
6 ATS控制柜 1 上海
7 10KV真空断路器柜
(手车式)
1 上海
8
 
10KV CT/PT计量柜 1 上海
9
 
低压配电开关柜 1 上海
10 抽屉式低压配电柜 1 上海
11 低压电容补偿柜 1 上海
12 低压负载柜 1 上海
13 模拟故障发生器、模拟高压断路器柜 1 上海
14 微机继电保护测试仪 1 上海
15 模拟高压变压器 1 上海


本文链接:http://m.hpauto.com.cnhttp://m.hpauto.com.cn/gpd/800.html
文章来源:m.hpauto.com.cn??? ?编辑:中人教仪厂??? ?时间:2019-03-20 16:36

常见问题:

1、如果我要购买10KV工厂供配电实验室设备、通220V电供配电技术实训装置,是否有安装、培训服务呢?

答:我们的设备如果没有特别注明“不含安装”“裸机价”“出厂”等字样的,都是提供安装、培训服务的。

2、你们的10KV工厂供配电实验室设备、通220V电供配电技术实训装置是否能开增值税专用发票?

答:可以的,我们是正规企业,并且已经升级到一般纳税人,可以开具增值税专用发票,如果您需要开10KV工厂供配电实验室设备、通220V电供配电技术实训装置的发票,您需要提供开票资料。

3、你们的产品都是自己生产的吗?都有什么产品资质?

答:我们公司是专业生产教学设备的企业,完全自主生产,并通过了最新版ISO9001认证,拥有多项专利与著作权。

* 表示必填采购:10KV工厂供配电实验室设备
* 联系人: 请填写您的真实姓名
* 手机号码: 请填写您的联系电话
电子邮件:
* 采购意向描述:
请填写采购的10KV工厂供配电实验室设备、通220V电供配电技术实训装置数量和10KV工厂供配电实验室设备、通220V电供配电技术实训装置描述,方便我们进行统一备货。如:我需要10KV工厂供配电实验室设备、通220V电供配电技术实训装置1台,需要额外配置相关的什么配件

联系中人教仪厂

中人教仪厂
上海中人科教设备制造有限公司

咨询热线:021-66581511

在线客服:

客服一号客服一号

客服二号客服二号

客服三号客服三号

客服四号客服四号

客服五号客服五号

企业邮箱:3523637530@qq.com

地址:上海市松江工业园区